Product Summary
The UPD70320L-8 is a single-chip microcontroller.
Parametrics
UPD70320L-8 absolute maximum ratings: (1)Supply Voltage VDD: -0.5 to +7.0 V; (2)Input Voltage VTH: - 0.5 to VDD + 0.5 V; VI: - 0.5 to VDD + 0.5 V; (3)Output Voltage VO:- 0.5 to VDD + 0.5 V; (4)Output Current Low IOL: 4.0 mA; Total: 50 mA; (5)Output Current High IOH: Each output pin: -2.0 mA; Total: -20 mA; (6)Operating Ambient Temperature TA: -40 to +85 ℃; (7)Storage Temperature Tstg: - 65 to +150 ℃.
Features
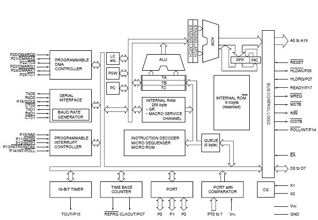
UPD70320L-8 features: (1)Internal 16-bit architecture and external 8-bit data bus; (2)Compatible with mPD70108/70116 (in native mode) on software level (some instructions added); (3)Minimum instruction cycle : 400 ns/5 MHz (μPD70320); 250 ns/8 MHz (μPD70320-8); (4)On-chip RAM : 256 words×8 bits; (5)Input port (port T) with comparator : 8 bits; (6)I/O lines (input port : 4 bits, input/output port : 20 bits); (7)Serial interface (internal dedicated baud rate generator) : 2 channels Asynchronous mode and I/O interface mode; (8)Interrupt controller; (9)Programmable priority (8 levels); (10)Vectored interrupt function; (11)Register bank switching function; (12)Macro service function; (13)DRAM and pseudo SRAM refreshing functions; (14)DMA controller : 2 channels; (15)16-bit timer : 2 channels; (16)Time base counter; (17)On-chip clock generator; (18)Programmable wait function; (19)Standby function (STOP/HALT).
Diagrams

![]() |
![]() UPD70008AG-4 |
![]() Other |
![]() |
![]() Data Sheet |
![]() Negotiable |
|
||||
![]() |
![]() UPD70236AGD-10-5BB |
![]() Other |
![]() |
![]() Data Sheet |
![]() Negotiable |
|
||||
![]() |
![]() UPD7030025AGC-25 |
![]() Other |
![]() |
![]() Data Sheet |
![]() Negotiable |
|
||||
![]() |
![]() UPD703014A |
![]() Other |
![]() |
![]() Data Sheet |
![]() Negotiable |
|
||||
![]() |
![]() UPD703014AY |
![]() Other |
![]() |
![]() Data Sheet |
![]() Negotiable |
|
||||
![]() |
![]() UPD703015A |
![]() Other |
![]() |
![]() Data Sheet |
![]() Negotiable |
|
||||
(China (Mainland))








