Product Summary
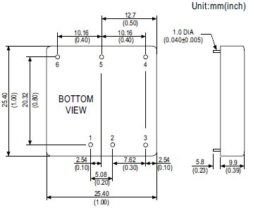
The SKM151A4R is a 15W DC-DC Regulated Single Output Converter.
Parametrics
SKM151A4R absolute maximum ratings: (1)VDS: 500V; (2)VDGR: 500V; (3)ID: 70 / 50A; (4)IDM: 280 / 200A; (5)VGS: ± 20V; (6)PD: 780W; (7)Tj, (Tstg): –40 to +150 (125)℃; (8)Visol: 2 500V.
Features
SKM151A4R features: (1)1×1 compact size; (2)2:1 wide input range; (3)High efficiency up to 88%; (4)1500VDC I/O isolation; (5)Built-in remote ON/OFF control; (6)Built-in trimming output( 10%); (7)Built-in EMI filter; (8)Protections: Short circuit / Overload / Over voltage; (9)Cooling by free air convection; (10)Six-sided shield metal case; (11)100% burn-in test; (12)Low cost / High reliability; (13)Approvals: FCC / CE; (14)2 years warranty.
Diagrams

![]() |
![]() SKM100GAL123D |
![]() Other |
![]() |
![]() Data Sheet |
![]() Negotiable |
|
||||
![]() |
![]() SKM100GB124D |
![]() Other |
![]() |
![]() Data Sheet |
![]() Negotiable |
|
||||
![]() |
![]() SKM100GB125DN |
![]() Other |
![]() |
![]() Data Sheet |
![]() Negotiable |
|
||||
![]() |
![]() SKM100GB173D |
![]() Other |
![]() |
![]() Data Sheet |
![]() Negotiable |
|
||||
![]() |
![]() SKM111AR |
![]() Other |
![]() |
![]() Data Sheet |
![]() Negotiable |
|
||||
![]() |
![]() SKM121AR |
![]() Other |
![]() |
![]() Data Sheet |
![]() Negotiable |
|
||||
(China (Mainland))








