Product Summary
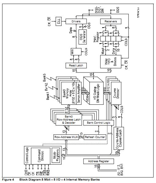
The HYB25DC256160CF-5 is a 256 Mbit Double-Data-Rate SDRAM. It is a high-speed CMOS, dynamic random-access memory containing 268,435,456 bits. It is internally configured as a quad-bank DRAM. The HYB25DC256160CF-5 uses a double-data-rate architecture to achieve high-speed operation. The double data rate architecture is essentially a 2n prefetch architecture with an interface designed to transfer two data words per clock cycle at the I/O pins. A single read or write access for the HYB25DC256160CF-5 effectively consists of a single 2n-bit wide, one clock cycle data transfer at the internal DRAM core and two corresponding n-bit wide, one-half-clock-cycle data transfers at the I/O pins.
Parametrics
HYB25DC256160CF-5 absolute maximum ratings: (1)Voltage on I/O pins relative to VSS, VIN, VOUT:–0.5 to VDDQ + 0.5 V; (2)Voltage on inputs relative to VSS, VIN: –1 to +3.6 V; (3)Voltage on VDD supply relative to VSS, VDD: –1 to +3.6 V; (4)Voltage on VDDQ supply relative to VSS, VDDQ: –1 to +3.6 V; (5)Operating temperature (ambient), TA: 0 to +70℃; (6)Storage temperature (plastic), TSTG: -55 to +150℃; (7)Power dissipation (per SDRAM component), PD: 1.5W; (8)Short circuit output current, IOUT: 50mA.
Features
HYB25DC256160CF-5 features: (1)Double data rate architecture: two data transfers per clock cycle; (2)Bidirectional data strobe (DQS) is transmitted and received with data, to be used in capturing data at the receiver; (3)DQS is edge-aligned with data for reads and is center-aligned with data for writes; (4)Differential clock inputs (CK and CK); (5)Four internal banks for concurrent operation; (6)Data mask (DM) for write data; (7)DLL aligns DQ and DQS transitions with CK transitions; (8)Commands entered on each positive CK edge; data and data mask referenced to both edges of DQS; (9)Burst Lengths: 2, 4, or 8; (10)CAS Latency: 1.5 (DDR200 only), 2, 2.5, 3; (11)Auto Precharge option for each burst access; (12)Auto Refresh and Self Refresh Modes; (13)RAS-lockout supported tRAP=tRCD ; (14)7.8 μs Maximum Average Periodic Refresh Interval; (15)2.5 V (SSTL_2 compatible) I/O: VDDQ = 2.6 V ± 0.1 V; VDD = 2.6 V ± 0.1 V; (16)P-TFBGA-60-12 package with 3 depopulated rows (8 × 12 mm2); (17)P-TSOPII-66 package; (18)Lead- and halogene-free = green product.
Diagrams

| Image | Part No | Mfg | Description | ![]() |
Pricing (USD) |
Quantity | ||||
|---|---|---|---|---|---|---|---|---|---|---|
![]() |
![]() HYB25DC256160CF-5 |
![]() Other |
![]() |
![]() Data Sheet |
![]() Negotiable |
|
||||
| Image | Part No | Mfg | Description | ![]() |
Pricing (USD) |
Quantity | ||||
![]() |
![]() HYB25D128 |
![]() Other |
![]() |
![]() Data Sheet |
![]() Negotiable |
|
||||
![]() |
![]() HYB25D128160AL |
![]() Other |
![]() |
![]() Data Sheet |
![]() Negotiable |
|
||||
![]() |
![]() HYB25D128160AT |
![]() Other |
![]() |
![]() Data Sheet |
![]() Negotiable |
|
||||
![]() |
![]() HYB25D128160CE-5 |
![]() Other |
![]() |
![]() Data Sheet |
![]() Negotiable |
|
||||
![]() |
![]() HYB25D128160CE-6 |
![]() Other |
![]() |
![]() Data Sheet |
![]() Negotiable |
|
||||
![]() |
![]() HYB25D128160CT-6 |
![]() Other |
![]() |
![]() Data Sheet |
![]() Negotiable |
|
||||
(China (Mainland))









